城市轨道交通 车载系统
车载系统广义讲指电动列车上车载的全部设备,如车载空调系统、车载广播系统、车载通信系统、车载监控系统、车载照明系统、车载控制系统等等。狭义上有时特指广播通信对讲系统。
车载导航,我想知道我的车载导航是什么系统 在哪里能看到系统是什么
我想知道这是什么原因造成的,有什么所需要的是国内地图要全面地图这东西,其实现在自导航各种价位的都有离线导航什么意思 导航分为两种:一种是借助GPS
地铁列车有哪些系统组成
地铁列车由车体、转向架,、制动装置、风源系统、电气传动装置、辅助电源、通风、采暖及空调、内装及设备、车辆连接装置、受流装置、照明、自控、监控系统等组成。
轨道交通车载通信、信号系统设备调试需要资质吗
这个肯定是需要的,
设备很复杂,
检测的内容也很多,
一般都是自己做的吧没有外包的。
城市轨道交通信号系统的信号系统基本功能
1、 列车自动监控子系统(ATS)
ATS系统由控制中心、车站、车场以及车载设备组成。ATS系统在ATP系统的支持下完成对列车运行的自动监控,实现以下基本功能:
(1)通过ATS车站设备,能够采集轨旁及车载ATP提供的轨道占用状态、进路状态、列车运行状态以及信号设备故障等控制和监督列车运行的基础信息。
(2)根据联锁表、计划运行图及列车位置,自动生成输出进路控制命令,传送至车站联锁设备,设置列车进路、控制列车停站时分。
(3)列车识别跟踪、传递和显示功能。系统能自动完成正线区段内列车识别号(服务号、目的地号、车体号)跟踪,列车识别号可由中央ATS自动生成或调度员人工设定、修改,也可由列车经车—地通信向ATS发送识别号等信息。
(4)列车计划与实迹运行图的比较和计算机辅助调度功能。能根据列车运行实际的偏离情况,自动生成调整计划供调度员参考或自动调整列车停站时分,控制发车时间。
(5)ATS中央故障情况下的降级处理,由调度员人工介入设置进路,对列车运行进行调整,由ATS车站完成自动进路或根据列车识别号进行自动信号控制,由车站人工进行进路控制。
(6)在计算机辅助下完成对列车基本运行图的编制及管理,并具有较强的人工介入能力。通过设在车辆段的终端,向车辆段管理及行车人员提供必要的信息,以便编制车辆运用计划和行车计划。
(7)列车运行显示屏及调度台显示器,能对轨道区段、道岔、信号机和在线运行列车等进行监视,能在行调工作站上给出设备故障报警及故障源提示。
(8)能在中央专用设备上提供模拟和演示功能,用于培训及参观。能自动进行运行报表统计,并根据要求进行显示打印。
(9)能在车站控制模式下与计算机联锁设备结合,将部分或所有信号机置于自动模式状态。
(10)向通信无线、广播、旅客向导系统提供必要的信息。
2 、列车自动防护子系统(ATP)
ATP系统由地面设备、车载设备组成,监督列车在安全速度下运行,确保列车一旦超过规定速度,立即施行制动,主要实现以下功能:
(1)自动连续地对列车位置进行检测,并向列车发送必要的速度、距离、线路条件等信息,以确定列车运行的最大安全速度。提供列车速度保护,在列车超速时提供常用制动或紧急制动,保证前行与后续列车之间的安全间隔,满足正向行车时的设计行车间隔和折返间隔。对反向运行列车能进行ATP防护。
(2)确保列车进路正确及列车的运行安全。确保同一径路上的不同列车之间具有足够的安全距离,以及等防止列车侧面冲撞。
(3)防止列车超速运行,保证列车速度不超过线路、道岔、车辆等规定的允许速度。
(4)为列车车门的开启提供安全、可靠的信息。
(5)根据联锁设备提供的进路上轨道区间运行方向,确定相应轨道电路发码方向。
(6)任何车—地通信中断以及列车的非预期移动(含退行)、任何列车完整性电路的中断、列车超速(含临时限速)、车载设备故障等均将产生安全性制动。
(7)实现与ATS的接口和有关的交换信息。
(8)系统的自诊断、故障报警、记录。
(9)列车的实际速度、推荐速度、目标速度、目标距离等信息的记录和显示。具有人工或自动轮径磨耗补偿功能。
3、 列车自动驾驶子系统(ATO)
ATO子系统是控制列车自动运行的设备,由车载设备和地面设备组成,在ATP系统的保护下,根据ATS的指令实现列车运行的自动驾驶、速度的自动调整、列车车门控制。
(1)自动完成对列车的启动、牵引、巡航、惰行和制动的控制,以较高的速度进行追踪运行和折返作业,确保达到设计间隔及旅行速度。
(2)在ATS监控范围的入口及各站停车区域(含折返线、停车线)进行车—地通信,将列车有关信息传送至ATS系统,以便于ATS系统对在线列车进行监控。
(3)控制列车按照运行图进行运行,达到节能及自动调整列车运行的目的。
(4)ATO自动驾驶时实现车站站台定点停车控制、舒适度控制及节省能源控制。
(5)能根据停车站台的位置及停车精度,自动地对车门进行控制。
(6)与ATS和ATP结合,实现列车自动驾驶、有人或无人驾驶。

轨道交通信号系统的简介
城市轨道交通信号系统是保证列车运行安全,实现行车指挥和列车运行现代化,提高运输效率的关键系统设备。 城市轨道交通信号系统通常由列车自动控制系统(Automatic Train Control,简称ATC)组成,ATC系统包括三个子系统: — 列车自动监控系统(Automatic Train Supervision,简称ATS) — 列车自动防护子系统(Automatic Train Protection,简称ATP) — 列车自动运行系统(Automatic Train Operation,简称ATO) 三个子系统通过信息交换网络构成闭环系统,实现地面控制与车上控制结合、现地控制与中央控制结合,构成一个以安全设备为基础,集行车指挥、运行调整以及列车驾驶自动化等功能为一体的列车自动控制系统。 一、列车自动控制系统(ATC)分类 1、按闭塞布点方式:可分为固定式和移动式。固定闭塞方式中按控制方式,又可分为速度码模式(台阶式)和目标距离码模式(曲线式)。 2、按机车信号传输方式:可分为连续式和点式。 3、按各系统设备所处地域可分为:控制中心子系统、车站及轨旁子系统、车载设备子系统、车场子系统。 二、固定闭塞ATC系统 固定闭塞ATC系统是指基于传统轨道电路的自动闭塞方式,闭塞分区按线路条件经牵引计算来确定,一旦划定将固定不变。列车以闭塞分区为最小行车间隔,ATC系统根据这一特点实现行车指挥和列车运行的自动控制。固定闭塞ATC系统又可分为速度码模式和目标距离码模式。 1、 速度码模式(台阶式) 如北京地铁和上海地铁1号线分别引进的英国西屋公司和美国GRS公司的ATC系统均属此类ATC系统,该系统属70~80年代的产品,技术成熟、造价较低,但因闭塞分区长度的设计受限于最不利线路条件和最低列车性能,不利于提高线路运输效率。固定闭塞速度码模式ATC是基于普通音频轨道电路,轨道电路传输信息量少,对应每个闭塞分区只能传送一个信息代码,从控制方式可分成入口控制和出口控制两种,从轨道电路类型划分可分为有绝缘和无绝缘轨道电路两种。 以出口防护方式为例,轨道电路传输的信息即该区段所规定的出口速度命令码,当列车运行的出口速度大于本区段的出口命令码所规定的速度时,车载设备便对列车实施惩罚性制动,以保证列车运行的安全。由于列车监控采用出口检查方式,为保证列车安全追踪运行,需要一个完整的闭塞分区作为列车的安全保护距离,限制了线路通过能力的进一步提高和发挥。能提供此类产品的公司有:英国WSL公司、美国GRS公司、法国ALSTOM公司、德国SIEMENZ公司等。 2、 目标距离码模式(曲线式) 目标距离码模式一般采用音频数字轨道电路或音频轨道电路加电缆环线或音频轨道电路加应答器,具有较大的信息传输量和较强的抗干扰能力。通过音频数字轨道电路发送设备或应答器向车载设备提供目标速度、目标距离、线路状态(曲线半径、坡道等数据)等信息,车载设备结合固定的车辆性能数据计算出适合于列车运行的目标距离速度模式曲线(最终形成一段曲线控制方式),保证列车在目标距离速度模式曲线下有序运行。不仅增强了列车运行的舒适度,而且列车追踪运行的最小安全间隔缩短为安全保护距离,有利于提高线路的通过能力。如上海地铁2号线引进美国US&S公司、明珠线引进法国ALSTOM公司和广州地铁1、2号线引进德国西门子公司的ATC系统均属此类。 三、移动闭塞ATC系统 移动闭塞方式的ATC系统通常采用无线通信、地面交叉感应环线、波导等媒体,向列控车载设备传递信息。列车安全间隔距离是根据最大允许车速、当前停车点位置、线路等信息计算得出,信息被循环更新,以保证列车不间断收到即时信息。 移动闭塞ATC系统是利用列车和地面间的双向数据通信设备,使地面信号设备可以得到每一列车连续的位置信息,并距此计算出每一列车的运行权限,动态更新发送给列车,列车根据接收到的运行权限和自身的运行状态,计算出列车运行的速度曲线,实现精确的定点停车,实现完全防护的列车双向运行模式,更有利于线路通过能力的充分发挥。 移动闭塞ATC系统在我国还未有应用实例,国外能提供此类系统的公司有:阿尔卡特公司交叉感应电缆作为传输媒介的ATC系统,在加拿大温哥华“天车线”和香港KCRC西部铁路等应用,技术比较成熟,但交叉感应轨间电缆给线路日常养护带来不便;美国哈蒙公司基于扩频电台通信的移动闭塞应用在旧金山BART线,其系统结构、系统运用尚不成熟;阿尔斯通公司基于波导传输信息的移动闭塞正在新加坡西北线试验段安装调试。 四、信号系统基本功能 1、 列车自动监控子系统(ATS) ATS系统由控制中心、车站、车场以及车载设备组成。ATS系统在ATP系统的支持下完成对列车运行的自动监控,实现以下基本功能: (1)通过ATS车站设备,能够采集轨旁及车载ATP提供的轨道占用状态、进路状态、列车运行状态以及信号设备故障等控制和监督列车运行的基础信息。 (2)根据联锁表、计划运行图及列车位置,自动生成输出进路控制命令,传送至车站联锁设备,设置列车进路、控制列车停站时分。 (3)列车识别跟踪、传递和显示功能。系统能自动完成正线区段内列车识别号(服务号、目的地号、车体号)跟踪,列车识别号可由中央ATS自动生成或调度员人工设定、修改,也可由列车经车—地通信向ATS发送识别号等信息。 (4)列车计划与实迹运行图的比较和计算机辅助调度功能。能根据列车运行实际的偏离情况,自动生成调整计划供调度员参考或自动调整列车停站时分,控制发车时间。 (5)ATS中央故障情况下的降级处理,由调度员人工介入设置进路,对列车运行进行调整,由ATS车站完成自动进路或根据列车识别号进行自动信号控制,由车站人工进行进路控制。 (6)在计算机辅助下完成对列车基本运行图的编制及管理,并具有较强的人工介入能力。通过设在车辆段的终端,向车辆段管理及行车人员提供必要的信息,以便编制车辆运用计划和行车计划。 (7)列车运行显示屏及调度台显示器,能对轨道区段、道岔、信号机和在线运行列车等进行监视,能在行调工作站上给出设备故障报警及故障源提示。 (8)能在中央专用设备上提供模拟和演示功能,用于培训及参观。能自动进行运行报表统计,并根据要求进行显示打印。 (9)能在车站控制模式下与计算机联锁设备结合,将部分或所有信号机置于自动模式状态。 (10)向通信无线、广播、旅客向导系统提供必要的信息。 2 、列车自动防护子系统(ATP) ATP系统由地面设备、车载设备组成,监督列车在安全速度下运行,确保列车一旦超过规定速度,立即施行制动,主要实现以下功能: (1)自动连续地对列车位置进行检测,并向列车发送必要的速度、距离、线路条件等信息,以确定列车运行的最大安全速度。提供列车速度保护,在列车超速时提供常用制动或紧急制动,保证前行与后续列车之间的安全间隔,满足正向行车时的设计行车间隔和折返间隔。对反向运行列车能进行ATP防护。 (2)确保列车进路正确及列车的运行安全。确保同一径路上的不同列车之间具有足够的安全距离,以及等防止列车侧面冲撞。 (3)防止列车超速运行,保证列车速度不超过线路、道岔、车辆等规定的允许速度。 (4)为列车车门的开启提供安全、可靠的信息。 (5)根据联锁设备提供的进路上轨道区间运行方向,确定相应轨道电路发码方向。 (6)任何车—地通信中断以及列车的非预期移动(含退行)、任何列车完整性电路的中断、列车超速(含临时限速)、车载设备故障等均将产生安全性制动。 (7)实现与ATS的接口和有关的交换信息。 (8)系统的自诊断、故障报警、记录。 (9)列车的实际速度、推荐速度、目标速度、目标距离等信息的记录和显示。具有人工或自动轮径磨耗补偿功能。 3、 列车自动驾驶子系统(ATO) ATO子系统是控制列车自动运行的设备,由车载设备和地面设备组成,在ATP系统的保护下,根据ATS的指令实现列车运行的自动驾驶、速度的自动调整、列车车门控制。 (1)自动完成对列车的启动、牵引、巡航、惰行和制动的控制,以较高的速度进行追踪运行和折返作业,确保达到设计间隔及旅行速度。 (2)在ATS监控范围的入口及各站停车区域(含折返线、停车线)进行车—地通信,将列车有关信息传送至ATS系统,以便于ATS系统对在线列车进行监控。 (3)控制列车按照运行图进行运行,达到节能及自动调整列车运行的目的。 (4)ATO自动驾驶时实现车站站台定点停车控制、舒适度控制及节省能源控制。 (5)能根据停车站台的位置及停车精度,自动地对车门进行控制。 (6)与ATS和ATP结合,实现列车自动驾驶、有人或无人驾驶。 五、信号系统运营模式 1 、ATS自动监控模式 正常情况下ATS系统自动监控在线列车的运行,自动向联锁设备下达列车进路命令,列车在ATP的安全保护下由司机按规定的运行图时刻表驾驶列车运行。控制中心行车调度员仅需监督列车和设备的运行状况。每天开班前,控制中心调度员选择当日的行车运行图/时刻表,经确认或作必要的修改,作为当日行车指挥的依据。 2 、调度员人工介入模式 调度员可通过工作站发出有关行车命令,对全线列车运行进行人工干预。调整列车运行计划包括对列车实施“扣车”、“终止站停”、改变列车进路、增减列车等。 3、 列车出入车场调度模式 车辆调度员根据当日列车运行图/时刻表编制车辆运用计划和场内行车计划,并传至控制中心。车场信号值班员按车辆运用计划设置相应的进路,以满足列车出入段作业要求。 4、 车站现地控制模式 除设备集中站其他车站不直接参与运营控制,车站联锁和车站ATS系统结合实现车站和中央两级控制权的转换。在中央ATS设备故障或经车站值班员申请,中央调度员同意放权后,可改由车站现地控制。 在现地控制模式下,车站值班员可直接操从车站联锁设备,可将部分信号机置于自动模式状态,也可将全部信号机设为自动模式状态,控制中心行车调度员应通过通信调度系统与列车驾驶员、车站值班员保持联系。 5、 车场控制模式 列车出入场和场内的作业均由场值班员根据用车计划,直接排列进路。车场与正线之间设置转换轨,出入场线与正线间采用联锁照查联系保证行车安全。 6、 列车运行控制模式 列车在正线、折返线上的运行作业时,常用ATO自动驾驶模式和ATP监督下的人工驾驶模式,限制人工驾驶和非限制人工驾驶模式均为非常用模式。 (1)ATO自动驾驶模式 列车启动后,在ATP设备安全保护下,车载ATO设备自动控制列车加速、巡航、惰行、制动,并控制列车在车站的停车位置,开关车门,司机仅需监督ATP/ATO车载设备运行状况。 (2)ATP监督下的人工驾驶模式 列车启动后,车载ATP设备根据地面提供的信息,自动生成连续监督列车运行的一次速度模式曲线,实时监督列车运行。司机根据ATP显示的速度信息驾驶列车,当列车运行速度接近限制速度时,提出报警;当列车运行速度超过限制速度时,ATP车载设备将对列车实施制动。 (3)限制人工驾驶模式 司机以不超过车载ATP的限制速度行车,列车运行安全由司机负责,当列车超过该限制速度时,ATP车载设备则对列车实施制动。 (4)非限制人工驾驶模式 在车载ATP设备故障状态下运用,ATP将不对列车运行起监控作用。列车运行安全由司机、调度员、车站值班员共同负责。 7 、列车折返模式 列车在ATP监督人工驾驶模式下折返时,列车由人工驾驶自到达股道牵出至折返线,由司机转换驾驶端,并折返至发车股道。 在ATO有人驾驶模式下折返时,列车能以较合理的速度从到达股道牵出至折返线,由司机转换驾驶端和启动列车,然后从折返线进入发车股道。
城市轨道交通信号系统的系统分类
1、按闭塞布点方式:可分为固定式和移动式。固定闭塞方式中按控制方式,又可分为速度码模式(台阶式)和目标距离码模式(曲线式)。
2、按机车信号传输方式:可分为连续式和点式。
3、按各系统设备所处地域可分为:控制中心子系统、车站及轨旁子系统、车载设备子系统、车场子系统。 固定闭塞ATC系统是指基于传统轨道电路的自动闭塞方式,闭塞分区按线路条件经牵引计算来确定,一旦划定将固定不变。列车以闭塞分区为最小行车间隔,ATC系统根据这一特点实现行车指挥和列车运行的自动控制。固定闭塞ATC系统又可分为速度码模式和目标距离码模式。
1、 速度码模式(台阶式)
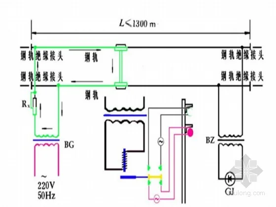
如北京地铁和上海地铁1号线分别引进的英国西屋公司和美国GRS公司的ATC系统均属此类ATC系统,该系统属70~80年代的产品,技术成熟、造价较低,但因闭塞分区长度的设计受限于最不利线路条件和最低列车性能,不利于提高线路运输效率。固定闭塞速度码模式ATC是基于普通音频轨道电路,轨道电路传输信息量少,对应每个闭塞分区只能传送一个信息代码,从控制方式可分成入口控制和出口控制两种,从轨道电路类型划分可分为有绝缘和无绝缘轨道电路两种。
以出口防护方式为例,轨道电路传输的信息即该区段所规定的出口速度命令码,当列车运行的出口速度大于本区段的出口命令码所规定的速度时,车载设备便对列车实施惩罚性制动,以保证列车运行的安全。由于列车监控采用出口检查方式,为保证列车安全追踪运行,需要一个完整的闭塞分区作为列车的安全保护距离,限制了线路通过能力的进一步提高和发挥。能提供此类产品的公司有:英国WSL公司、美国GRS公司、法国ALSTOM公司、德国SIEMENZ公司等。
2、 目标距离码模式(曲线式)
目标距离码模式一般采用音频数字轨道电路或音频轨道电路加电缆环线或音频轨道电路加应答器,具有较大的信息传输量和较强的抗干扰能力。通过音频数字轨道电路发送设备或应答器向车载设备提供目标速度、目标距离、线路状态(曲线半径、坡道等数据)等信息,车载设备结合固定的车辆性能数据计算出适合于列车运行的目标距离速度模式曲线(最终形成一段曲线控制方式),保证列车在目标距离速度模式曲线下有序运行。不仅增强了列车运行的舒适度,而且列车追踪运行的最小安全间隔缩短为安全保护距离,有利于提高线路的通过能力。如上海地铁2号线引进美国US&S公司、明珠线引进法国ALSTOM公司和广州地铁1、2号线引进德国西门子公司的ATC系统均属此类。 移动闭塞方式的ATC系统通常采用无线通信、地面交叉感应环线、波导等媒体,向列控车载设备传递信息。列车安全间隔距离是根据最大允许车速、当前停车点位置、线路等信息计算得出,信息被循环更新,以保证列车不间断收到即时信息。
移动闭塞ATC系统是利用列车和地面间的双向数据通信设备,使地面信号设备可以得到每一列车连续的位置信息,并距此计算出每一列车的运行权限,动态更新发送给列车,列车根据接收到的运行权限和自身的运行状态,计算出列车运行的速度曲线,实现精确的定点停车,实现完全防护的列车双向运行模式,更有利于线路通过能力的充分发挥。
移动闭塞ATC系统在我国还未有应用实例,国外能提供此类系统的公司有:阿尔卡特公司交叉感应电缆作为传输媒介的ATC系统,在加拿大温哥华“天车线”和香港KCRC西部铁路等应用,技术比较成熟,但交叉感应轨间电缆给线路日常养护带来不便;美国哈蒙公司基于扩频电台通信的移动闭塞应用在旧金山BART线,其系统结构、系统运用尚不成熟;阿尔斯通公司基于波导传输信息的移动闭塞正在新加坡西北线试验段安装调试。









评论列表: